Deere 33 Tiller Manual
Mar 21, 2018 '80 317 w/18hp B&S and divert valve for rear hydraulics, 3 pt hitch, 5' york rake, '82 314 w/rear PTO for/and with 33 tiller '89 322, 49 thrower, 54 4 way blade, Mod 48 deck & Mod 462 TracVac. Just after potato harvest.
This tractor components manual provides general overhaul and troubleshooting data as well as specifications for pre-1970 farm tractor components, including: carburetors, clutches, distributors, generators, magnetos, regulators, relays, starting motors, starting switches, and valve rotators. Feb 04, 2020 Deere 33 Tiller Manual Average ratng: 4,0/5 6926 reviews Publications for Model '33 ROTARY TILLER BASE UNIT' Following is a listing of all publications matching the search criteria. Publications available in electronic format are indicated by a hyperlinked Part Number.

| HOME Jim's Garage |
August 22, 2012
I'd been looking for a John Deere number 33 tiller for my garden tractor for couple of years. In my area they come available only once in a while and they're usually priced pretty high for their (poor) condition. Since this piece of machinery weighs a couple hundred pounds, buying one from out of state isn't really something I'd pay to have shipped. However, I keep hoping that one will come my way. To increase my chances, I've had a saved Ebay search for a 33 tiller for quite a while. I get an email from Ebay when a tiller comes up within two hundred miles from me. Not many hits on this search, but I keep looking.
I was quite surprised when I received the email for a tiller with a buy-it-now price of $100. I was more surprised when the location of the tiller was less than 15 miles from my home. It even came with the original manual. No questions asked, I bought it.
I went to pick up the tiller on a Saturday morning. It seems that the seller had purchased an old Deere 140 H3 to restore and it had come with an amazing assortment of attachments. A couple of plows, a rare seeder, two cultivators, a front snow blade and the tiller. Since he wasn't interested in gardening, he was selling off the stuff he wouldn't use. By selling off the unwanted stuff, he had already made back more than the price of the 140 and all the attachments and was now just looking to make sure that the tiller was going to someone who would appreciate it. Yes, that was me. Sometimes I'm just lucky, but it did take me a couple years of waiting to land this deal.
It happened to be an early tiller complete with a brass serial tag. Serial number is 2549, so it's a very early one made for a Deere 140. The tiller was made before Deere changed from a 3/4' shaft to a one inch one for the upper sprocket. The one inch shaft would be preferable, but I'm not complaining.
| I finally have a model 33 tiller. | A bit rusty, but a tiller none-the-less. |
Disassembly:
When Susie and I got home, I used my engine hoist to unload the tiller and get it up on the bench. Due to the large amount of rust on the tiller, I figured that I'd need to start working on the rusted bolts sooner rather than later. I spritzed all the nuts and bolts with a mixture of 50/50 ATF and acetone. A couple days later I tried some disassembly. Some of the nuts broke free and some needed more spritzing. When I got to the point of trying to remove the bar that sets the attachment width, I found that the outer bolt came off easily, but the inner one wouldn't budge. I spritzed the threads some more and waited a couple days and tried again.
I wasn't having much luck removing the inner nut with my open end wrenches, so I tried it with a 15 inch adjustable wrench and promptly broke the spreader bar. Apparently I am stronger than I thought I was (unlikely). The force I applied with the 15' wrench sheared the bar by the threads just after the nut. Crap. However, the situation is not as bad as it could be. The design of this bar is pretty simple; 1/2' round stock with a bent end and a hole for a cotter pin, a U shaped section to go around the pulley nut, then a long straight section with some 1/2-13 tpi threads on the end. I figured that this would be easy enough to make, so I didn't bother looking to buy one. I later found out that it was no longer offered by Deere, so I guess I have no choice but to fabricate it. I proceeded to take apart everything that wasn't rusted stuck.
| Although it doesn't look like it in the picture, the chain tensioner is broken. The pin that holds the spring has broken away from the tensioner face. | The tiller drive chain is dry and stretched and the clutch assembly doesn't seem to have moved in a while. |
I stripped off the top chain case and found that one of the clutch disks was trashed but the rest of the clutch assembly looked OK. I'm not quite sure what happened to the outboard disk. It looked to me that the disk hadn't been centered when the assembly was cinched down. The inside circular bore of the disk had been cut and looked egg shaped rather than circular. Strange. Whatever the reason that this occurred, it couldn't be trusted. I added two clutch disks to my parts list. More spritzing and some heat from my Oxy-Acetylene torch got the tiller down to the driven chain case and the tiller tine assemblies. This tiller has extensions on both sides and I was beginning to wonder if/how the tine assemblies would come apart.
| A little more rust here too. | The tiller shroud needs a little help and has a couple missing flaps. |
The answer is that they wouldn't come loose easily. Breaking the tine carriers free of the tine shaft was not fun. In fact, I'd put it up there with one of the toughest disassembly jobs I've done on any mechanical unit and I've worked on a lot of stuff. That said, I did most of my wrenching in Southern California and we didn't see too much rust out there, but this thing was a beast to strip down.
To get started removing the tine carriers, I pulled all 4 pins from both sides of the carriers after soaking them with penetrant for a few days. However, the carriers wouldn't budge off of the lower tine shaft. I tried heat. I tried and broke a Snap-on gear puller finger in the process. Darn! I used a big hammer, heat and an air hammer. Nothing worked. It was time to do some research and maybe do some thinking outside the box.
| A shot of the left tines. | And the right. Both sides were really worn out. |
When I did some searching for possible ways to remove the tine carriers, I came across what I consider to be a great suggestion. The suggestion was to till some ground with the pins that hold the tine carriers to the shaft removed. By putting rotational strain on the tine carriers, it just might break them free from the main shaft. Unfortunately, I already had the tiller too far apart to try this.
I ended up hooking up both ends of the tine shaft to my engine hoist and tried to pull it apart. No luck initially, but by the third time I heated the tine carrier to red heat and soaking it in PB-Blaster and ATF when it cooled a bit, it finally started to pull free. More heat and with some persuasion from an air hammer, it finally popped off. Only one more tine carrier and two more extensions to go.
The second carrier was stuck tighter than the first, but I got it off with only two heatings. Here's how:
I suspended the tine assembly and chain case from my 2 ton engine hoist with a chain attached to a long bolt passed through one of the tine shaft pin holes. I wrapped another chain around the legs of the hoist and bolted it to the other side of the tine shaft. By pumping up the hoist, I could put pressure on the tine carrier against the main shaft. I used the 2 ton position on the hoist so I could get the most pulling force possible.
| All I need to do is pull the tines. | Using the engine hoist to exert pulling pressure. |
Since my tiller has extensions on both sides, there's an additional shaft outboard of the main tine assembly on both sides. On the tine carrier tube, there are three holes for pins. The inner two attach the tine carrier to the main shaft. The outboard hole/pin attaches to the shaft that goes to the tine extension. Looking at the exploded view on the Deere parts page, it appeared that there might be a bit of space between the two shafts inside the tine assembly. I figured it was less than 3/8'. My thought was that with the pin in the extension shaft, hammering on the shaft might move the tine assembly down the main shaft toward the sprocket. If I could move the tine assembly tube even a fraction, I could then use a drift inserted through the pin hole to move it back to its starting position. If I kept repeating this process, I could work the penetrant further into the tube and shaft and loosen the rusted bond.
It worked. Relax the tension, hammer the shaft, use a drift to center the tine carrier on the shaft and repeat. After three or four repetitions, I reheated the shaft, let it cool and tried again. Finally while applying tension from the engine hoist, the tine assembly popped and moved about an inch. I released the tension and hammered it back to the starting position after dousing it with more penetrant. The next time I applied pressure with the engine hoist, the tine assembly popped free of the shaft.
It had only taken about three weeks time and five or six separate visits to the shop to get the tine carriers off. Persistence pays off.
To remove the tine extensions and shafts from the main tine carrier, I used more penetrant, heat and my 20 ton hydraulic press. Too bad that the whole tine assembly wouldn't fit in the press as 20 tons of force works a lot better than two tons applied by the engine hoist. I will say that they make a heck of a noise when they pop free. Once I had all the pieces separated, I used a file and some Emory cloth to clean the rust from the extension shafts.
So the tine carriers were removed, but I was also having trouble getting the main two-sheave pulley off of the shaft that attaches to the angle drive. I tried putting the whole assembly in my hydraulic press, then blocking the underside of the pulley and trying to press the shaft out. All I succeeded in doing was to bow the pulley. I was afraid to put more pressure on the shaft for fear of putting a permanent bend in the pulley, so I figured I'd think about it some more while I cleaned parts.
Sometimes stepping away from a problem helps me come up with another approach. While I cleaned, I remembered that the bevel gear on the inside of the angle drive was held on by a circlip. I wondered if I removed the circlip and gear whether the shaft and pulley would slide out the other side. Yep. In less than five minutes I had the shaft with pulley attached in my hands. Now I could properly brace the underside of the pulley and use the hydraulic press to push the shaft out. Another few minutes work on the press and the shaft and pulley were apart. Needless to say, I was pretty pleased.
Cleaning and Repairs
One of these days I will get a media blaster and blast cabinet for the shop. I really could have used it on this project. However, one makes do with what one has. I washed the worst of the grime off the various parts in a plastic tub, then moved each part into my solvent tank to be cleaned some more. From there each part was either sanded or stripped using an assortment of wire wheels and sanders. All of the parts were then wiped down with Jasco Prep & Primer to convert the remaining rust into black oxide so that the parts could be painted.
I did have a little sheet metal repairing to do on the center tiller flap. Apparently the original owner had gotten both extension flaps hung up on stumps or what-not over the years and they had been ripped off. in the process, all four of the attaching holes on the main flap were ripped out or cracked. To fix these, I cut some sheet metal of the same thickness as the flap and brazed them in place to re-form the square carriage bolt holes. I ground the welds down to (fairly) flat and coated them with Jasco to etch the metal for painting. I'm not really as concerned with doing body shop quality finishing here as I am with getting the piece to function. After all, this is a implement that will get pretty beat up by using it as prescribed. As for the missing parts, I'll look for some extension flaps, but if none show up, I'll probably make up some replacements out of the sheet metal I have on hand.
| Broken holes left side. | Broken holes right side. |
| Sheet metal cut to fit. | Another key cut and flux applied. |
| Key brazed in place. | Repairs are ground down. |
As I said above, the chain tensioner in the drive case was broken. It also had some pretty deep grooves where the chain had run along it un-lubricated for quite a while. My Deere dealer said that this part was no longer available, so I decided I'd repair it as best as I could. The semi-circular rod that holds the spring that pushes against the chain would be easy enough to braze back on. To repair the grooves, I'd fill them with braze (60% silver), then add a piece of Teflon or Delrin to make the chain slide easier. Many motorcycle primary chain tensioners use a facing rather than letting the steel chain ride on a steel tensioner. I'm guessing that using a facing and actually lubing the chain once in a while will make this repair last quite a while.
| Broken tensioner. | Tensioner held in the welding vise. |
| Flux is added to grooves on tensioner face so I could braze them somewhat flat again. | Rod was brazed to tensioner on both sides. All I need to do now is to face it with Teflon or Delrin. |
Parts Order
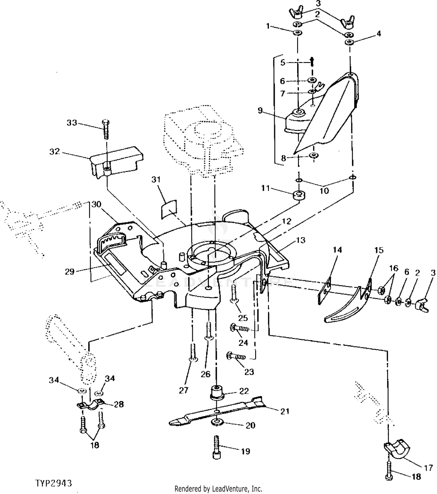
For some of the bearings and the tines I needed, I decided to go with aftermarket parts where I could to save some money. Here's the partial list. Note that if you have a later model tiller with the 1' top shaft, your bearings will be different than my 3/4' shaft model bearings (SA204-12).
Tiller tines - 7 each (tiller has both extensions)
http://www.maximmfg.com/
Maxim Mfg. Part No. 130762 (JD PN M43480) right hand tine - price $15.95 each
Maxim Mfg. Part No. 130763 (JD PN M43481) left hand tine - price $15.95 each
Maxim does carry the welded assemblies but that brought the price from about $225 to $400 so I decided to re-use the carrier shafts and just weld new tines on to them.
Bearings / Seals / Chain / Clutch Disks
http://www.thebigbearingstore.com/
2 - JD9274 Lower ball bearing - SA206-20 -- 1-1/4' Insert Bearing Small OD (Pre-lube) $8.70 each
2 - JD9217 Upper ball bearing SA204-12 -- 3/4' Insert Bearing (Pre-lube) $6.15 each
2 - M42512 Outer angle drive bearing 1630RS Radial Ball Bearing 3/4' Bore $3.33 each
2 - JD9325 No seal bearings - inner angle drive bearings - sourced from Deere $13.65 each
2 - AR90860 Seals for angle drive - sourced from Deere $11.26 each
#50 Chain and link kits - sourced from Tractor Supply
2- M151902 - Clutch Disk - sourced from Deere $13.10 each
The tiller tines from Maxim Mfg came pretty quickly after I placed the phone order. I found that they're not real quick to respond by email, but did eventually did respond to my email after I had already placed the phone order. The tines are stamped with the name Empire and look to be pretty nice in quality. Out of the 14 tines, two on each side need to be welded to the main carrier and one on to each extension. The remainder are bolted on. We'll see how the welding goes.
| Pretty big difference in size. Looks like the previous owner got a lot of use out of this tiller. | Fourteen tines - Seven each of left and right. |
Reassembly
Since the angle drive and main pulley sheave were the last pieces to be removed, they'd be the first to re-assemble. I had painted the angle drive Deere yellow, but decided to leave the cover unpainted and just polish it up a bit.
I started by installing the two open (unsealed - JD9325) bearings after packing them with wheel bearing grease. I used an aluminum bearing and seal installer and tapped them home. Moving from the inside to the outside of the case, I installed the two AR90860 seals. The new seals were of a different style than the ones I took out. The old ones had a metal shell on both sides and the new ones only had the shell on one side. The open side (cupped side) is installed toward the inside of the housing. I packed some grease in the cupped area and drove them in. The M42512 bearings follow the seals. Again, I used the bearing installer and tapped them home with a plastic faced hammer.
I installed the center circlips on both shafts and slid them in from the outside of the case toward the inside. Once the shafts protruded from the inside bearings by an eighth inch or so, I attached both bevel gears. Do note that if you install the shafts too far past the inner bearings, you won't be able to get the gears on. On my angle drive, 1/8' past the inside bearings seemed to be the perfect distance. Once the gears were in place, I tapped the shafts the rest of the way through. This process would be easier if I had three hands, but wasn't too bad with the two hands I had available. Once the gears were seated, I then installed the parallel (square) keys and some new circlips to hold the gears in place.
The older tillers (mine) call for gear oil as the lubrication of choice for the angle drive and the newer tillers call for 'corn head' lubricant. Older units have two ports on the angle drive cover - one with a 90° pipe fitting to add oil and a pipe plug to check the level. Newer models have no ports at all.
Right or wrong, I did something different. I used a mixture of hypoid gear oil - 85w-140 weight and wheel bearing grease. I used about three ounces total mixed 2/3 grease and 1/3 oil. My reasoning was that the bevel gears had a bit of wear and the grease+oil would help keep them a bit quieter. I also felt that using the thicker mixture would help prevent leaks past the seals later in the angle drive's life. I'll let you know how that works out in a decade or so. Once assembled, the drive felt silky-smooth when turned. So far, so good.
| Inside open bearing is greased and installed. Old seal on left and new one (with grease) on right. | Seal is installed cup side down with bearing tool. A large socket would do in a pinch. |
| Outer sealed bearing is installed. | The process is repeated for the other bearings. |
| With the shafts barely protruding, the gears are added. | Shafts are tapped all of the way through and keys are added. |
| Assembled and ready to install. |
I still have a lot to do on this tiller, so I'll be updating this page as I progress on the rebuild. I am hoping that I will have the tiller done before the end of October 2012, so I can get started on a tilling a much larger garden for next year. We do like the sweet corn we've grown this year and want much more.
| Tiller Page 1 | Tiller Page 2 | Tiller Page 3 |
© Fager 8-22-12
If you need a manual for your new or antique farm tractor or engine, we've got you covered! SSB offers tractor service and repair shop manuals for almostevery farm tractor make or model. We have Allis Chalmers, Avery, Case, David Brown, Caterpillar, Cockshutt, Deutz, Euclid, Ford, Hough, International Farmall,John Deere, Kubota, Minneapolis Moline, New Holland, Oliver, White and other miscellaneous antique tractor manuals.There are four kinds of tractor manuals you can order:
|
Save This Page |
| Allis Chalmers | Avery | Bobcat | Case David Brown | Caterpillar | Cockshutt | Deutz | Euclid | Ford | International Farmall |
| John Deere | Kubota | Massey Ferguson | Minneapolis Moline | Mitsubishi Satoh | New Holland | Oliver | White | Zetor | Miscellaneous (OTHER) |
| | SSB Farm Tractor Parts, Manuals & Antique Tractors | | Aftermarket Farm Tractor Parts | | Service & Repair Farm Tractor Manuals | |
| | Tractor Implements | | Tractor Seats | | Trailer Parts | | Tractor Front End Loaders | | PTO Generators | | Rear View Backup Camera | |
| | Pedal Toy Tractors | | Tractor Books | | Tractor Data / Info / Specs | | Antique Tractors History | | Related Sites | | Rustic Home | |
|
|
View Cart | Checkout |
|---|
You can search for a manual using the search box above or by selecting your farm tractor below and browsing our online catalog. If youcan't find what you need (be sure to look under the miscellaneous tractor section for rarer antique tractors), simply contact usand we'll see if we can't find it for you!
John Deere 33 Tiller Service Manual
| Can't Find What You're Looking For? Call 1-631-451-8706and talk to our friendly sales staff. They'll do theirbest to help! |